產品名稱:壓力傳感器,拉力傳感器,拉壓力傳感器,S型傳感器,拉壓雙向測力傳感器
產品型號:CAZF-LS40
特點與用途:
拉壓兩用
應變式原理
- 不銹鋼材質
- 結構小巧
- 精度高
- 動態響應頻率高
- 適用于拉力、壓力測試與拉力、壓力控制場合
技術參數:
| 量程(Capacity):50、100、200KG | |||
|
綜合誤差 Total error |
0.05%F.S |
輸入阻抗 Input resistance |
385±20Ω |
|
靈敏度 Rated output |
2.0±10%mV/V | 輸出阻抗 Output resistance | 350±10Ω |
|
非線性 Non-linearity |
0.05%F.S | 工作溫度范圍 Operation Temp range | -20~80℃ |
|
重復性 Repeat ability |
0.05%F.S | 溫度補償范圍 Compensated temp range | -10~60℃ |
|
蠕變(30min) Creep |
0.05%F.S | 零點溫度漂移Temperature effect on zero | 0.05%F.S./10℃ |
| 滯后 Hysteresis | 0.05%F.S | 靈敏度溫度漂移Temperature effect on out | 0.05%F.S./10℃ |
| 激勵電壓 Excitation recommend | 5-10VDC | 安全超載 Safe Load Limit | 150%F.S |
|
電纜尺寸 Cable Size |
φ3 x 3000mm | 極限超載 Ultimate overload | 200%F.S |
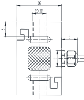
外形尺寸:


受力方式:

接線方式:

壓力傳感器_測力傳感器_拉壓力傳感器輸出毫伏信號,需配變送器(放大器)或顯示控制儀
變送器:
1、數字型(RS23S或RS485)
2、模擬型(電流4-20mA,電壓0-5V/0-10V)
顯示控制儀:
標配RS485\晶體管開關量輸出,選配RS232或模擬量
具體請聯系我司工程師或微信咨詢




