產品名稱:壓力傳感器,拉力傳感器,拉壓力傳感器
產品型號:CAZF-LS19.1
特點與用途:
拉壓兩用
應變式原理
- 不銹鋼材質
- 結構小巧
- 精度高
- 動態響應頻率高
- 適用于拉力、壓力測試與拉力、壓力控制場合
技術參數:

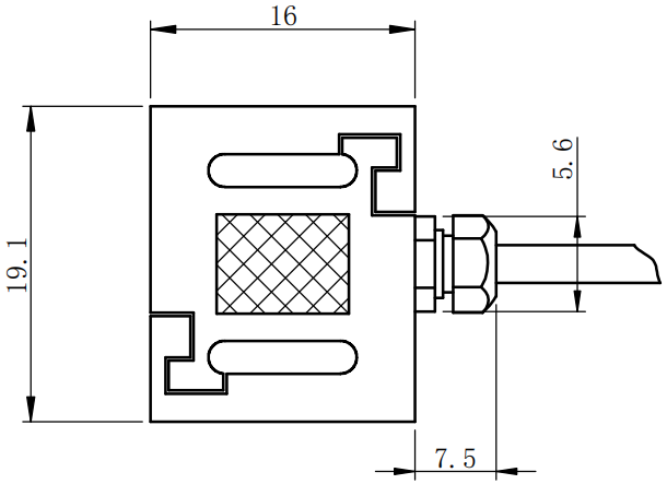
外形尺寸:



受力方式:

接線方式:

壓力傳感器_測力傳感器_拉壓力傳感器輸出毫伏信號,需配變送器(放大器)或顯示控制儀
變送器:
1、數字型(RS23S或RS485)
2、模擬型(電流4-20mA,電壓0-5V/0-10V)
顯示控制儀:
標配RS485\晶體管開關量輸出,選配RS232或模擬量
具體請聯系我司工程師或微信咨詢






