產品名稱:壓力傳感器,壓式測力傳感器,測力傳感器
產品型號:CAZF-Y51
特點與用途:
- 合金鋼材質
- 應變式原理
- 膜合式結構
- 高度低,變形量小
- 動態響應頻率高
- 適用于各自動化機械設備壓力的測量與控制,如:3C組裝測試設備、新能源組裝設備、機器人等。
- 技術參數:

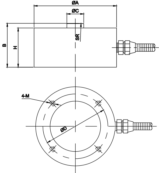
外形尺寸:


受力方式:
接線方式:

壓力傳感器_測力傳感器輸出毫伏信號,需配變送器(放大器)或顯示控制儀
變送器:
1、數字型(RS23S或RS485)
2、模擬型(電流4-20mA,電壓0-5V/0-10V)
顯示控制儀:
標配RS485\晶體管開關量輸出,選配RS232或模擬量
具體請聯系我司工程師或微信咨詢






