產品名稱:壓力傳感器,微型壓力傳感器,微型測力傳感器,機械壓力傳感器
產品型號:CAZF-Y15
特點與用途:
應變式原理
- 不銹鋼材質
- 外形尺寸小,變形量小
- 動態響應頻率高
- 適用于各自動化機械設備小量程壓力的測量與控制,如:3C組裝測試設備、新能源組裝設備、機器人等。
技術參數:

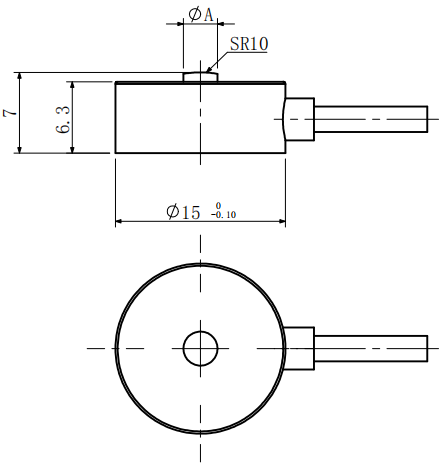
外形尺寸:


受力方式:

接線方式:

壓力傳感器_測力傳感器輸出毫伏信號,需配變送器(放大器)或顯示控制儀
變送器:
1、數字型(RS23S或RS485)
2、模擬型(電流4-20mA,電壓0-5V/0-10V)
顯示控制儀:
標配RS485\晶體管開關量輸出,選配RS232或模擬量
具體請電話聯系我司或微信咨詢

滄正機械壓力傳感器為電阻應變片式,主要由彈性體、電阻應變片、測量電路和傳輸電纜4部分組成。
應變片式壓力傳感器測量原理:當壓力傳感器彈性體在外力的作用下產生形變,附著于彈性體上的電阻應變片隨即彎曲,電阻應變片阻值發生變化,再經測量電路將阻值變化轉換為電信號(一般為毫伏信號)。



